梓梦-智能 AI 分析全自动显微镜法不溶性微粒仪辅助可见异物分析
在医药行业高质量发展的进程中,药品及医用耗材的可见异物检测是保障用药安全、符合法规标准的关键环节。尤其是乳剂、脂质体、混悬剂等复杂制剂,以及带颜色、黏度较大、易产生气泡的特殊样品,其可见异物检测难度远高于常规样品。上海梓梦科技有限公司深耕医药行业粒度、微粒检测领域,凭借多年技术积累,研发出智能 AI 辅助分析全自动显微镜法不溶性微粒仪,以 “全自动操作 + 智能 AI 识别" 为核心,为医药行业可见异物分析提供高效、精准、合规的解决方案,助力企业轻松应对各国药典标准与生产质量管控需求。
1. 广泛的样品适用性,攻克复杂样品检测瓶颈
该设备打破传统检测设备的样品局限性,拥有智能 AI 辅助全自动分析医药行业多类产品的可见异物,具体包括:
1) 复杂注射剂:乳剂(如丙-泊酚乳状注射液)、脂质体、混悬剂等体系不稳定的样品;
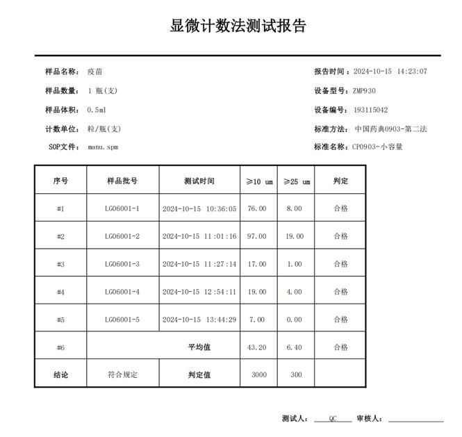
2) 特殊制剂:mRNA 制剂、疫苗、眼用制剂等对纯度要求高的产品;
3) 医用耗材:一次性输液器、预充针等直接接触药品的器具;

4) 特殊性状样品:易于产生气泡、带颜色、黏度较大的样品,以及玻璃碎屑、API 析出物、纤维等特殊异物的检测。

无论是常规注射剂的质量筛查,还是光阻法检测结果的复核验证,设备均能精准应对,实现 “全场景覆盖、无-死角检测"。
2. 精准的检测范围与性能指标,保障数据可靠性
设备以 “高精度" 为核心设计理念,关键性能指标达到行业领-先水平:
1) 检测范围:200nm-3000μm,可捕捉从微小颗粒到较大异物(如 3000μm 级玻璃碎屑)的全尺寸可见异物,满足不同样品的检测精度需求;
2) 核心精度参数:最大分辨力 0.1μm,精确度<3%,重复性误差<5%,自动分割速度<1 秒且分割成功率>95%,确保检测数据的准确性与稳定性;
3) 高清成像支持:搭载 900 万像素高清彩色相机,配合 10-100 倍可调放大倍数,可清晰捕捉颗粒的颜色、形状、表面特征,为后续 AI 识别与分类提供高质量图像依据。
二、技术亮点:智能 AI + 全自动操作,重塑检测效率与体验
1. 智能 AI 识别:精准区分异物类型,告别人工误判
设备搭载先进的智能 AI 识别系统,通过大量医药样品数据训练,具备三大核心识别能力:
1) 颗粒颜色区分:一次性自动识别白色颗粒与非白色颗粒,无需人工干预分类,避免主观判断误差;

2) 颗粒形态分类:精准区分纤维、球形颗粒、不规则颗粒(如玻璃碎屑、API 析出物),甚至可识别金属类异物,解决传统检测中 “难以精准归类" 的痛点;

3) 单独颗粒定位追踪:支持对特定颗粒的定位与追踪分析,便于深入研究异物来源与特性,为生产工艺优化提供数据支撑。
2. 全自动操作流程:从样品处理到报告生成,全程无需人工介入
1) 设备实现 “样品过滤 - 滤膜烘干 - 滤膜扫描 - 数据分析 - 报告生成" 全流程自动化,大幅提升检测效率:
2) 样品处理自动化:配备 X、Y、Z 轴自动扫描平台,可完整扫描整张滤膜(无检测死角);超景深功能支持 Z 轴自动对焦,确保每张扫描图片中的颗粒清晰可见,避免因景深问题导致的漏检;
3) 数据处理智能化:扫描完成后,设备自动分析滤膜图片,保存完整扫描图像(便于追溯),并按照药典要求生成报告;数据存储容量大于 10000 条,满足长期数据管理需求;
4) 高效检测周期:常规样品测试时间仅需 2-8分钟,相较于传统人工检测(通常需数小时),效率提升数十倍,助力企业缩短生产周期。
3. 合规化软件系统:满足全球法规要求,保障检测过程可追溯
设备配套软件严格符合医药行业法规标准,为企业合规生产保驾护航:
1) 法规符合性:满足 21CFR Part11 法规要求,具备审计追踪、权限分级、用户分级设置功能,可详细记录操作人员、操作时间、操作内容等关键信息,确保检测过程可追溯、可审计;
2) 多语言报告生成:支持按照 USP788、CP0903 等多国药典标准,自动生成中文与英文药典报告,报告内容涵盖样品信息、检测条件、颗粒计数等关键数据,可直接用于国内外市场申报;
3) 报告自定义功能:支持用户自定义报告格式(如药典测试报告、不溶性微粒综合分析报告),满足不同企业的个性化数据呈现需求。
在医药行业对 “质量合规" 与 “效率提升" 双重需求的驱动下,梓梦科技智能 AI 分析全自动显微镜法不溶性微粒仪以其 “广泛适用性、精准检测、智能高效、合规可靠" 的核心优势,成为可见异物分析的 “得力助手"。未来,梓梦科技将继续以技术创新为核心,紧跟全球药典标准与行业需求,为医药行业提供更优质的检测解决方案,助力全球医药产品质量安全升级。