技术文章您的位置:网站首页 >技术文章 >梓梦-ZMP930 吸入气雾剂不溶性微粒精准检测以罗替卡松为例

梓梦-ZMP930 吸入气雾剂不溶性微粒精准检测以罗替卡松为例

更新时间:2025-11-17   点击次数:783次

梓梦-ZMP930 吸入气雾剂不溶性微粒精准检测罗替卡松为例

罗替卡松吸入气雾剂作为治疗哮喘、慢性阻塞性肺疾病的常用吸入制剂,其不溶性微粒含量直接关联气道用药安全与治疗效果。2025 版中国药典 CP0903《不溶性微粒检查法》针对吸入制剂(尤其是混悬型制剂)的检测标准作出关键调整,上海梓梦科技自主研发的 ZMP930 全自动显微计数法不溶性微粒仪,凭借对复杂制剂的精准检测能力与合规性设计,为吸入气雾剂微粒检测提供专业的解决方案。

1582206015301391 

、ZMP930 适配罗替卡松吸入气雾剂检测的技术优势

罗替卡松吸入气雾剂因 “混悬颗粒易沉降、配方易产生气泡、黏度较高" 的特性,传统检测设备常面临 “微粒漏检、计数偏差、操作繁琐" 等问题。ZMP930 通过针对性技术设计,精准解决此类痛点:

 

 

(一)复杂制剂兼容性:突破物理特性干扰

ZMP930 的检测范围覆盖 1-3000μm,最小分辨达 0.1μm,可精准捕捉罗替卡松混悬颗粒及微量杂质(如容器脱落的碎屑、生产过程中的纤维)。其 X、Y、Z 轴自动扫描平台能实现整张滤膜全-方位扫描,配合超景深 Z 轴自动对焦功能,即使制剂中存在气泡干扰,也能确保每一个微粒成像清晰,避免因聚焦模糊导致的计数误差。

纤维 

(二)药典合规性:全维度匹配新规要求

1.                      微粒识别精准度:显微计数法不溶性微粒仪ZMP930搭载智能 AI 算法,可自动区分白色颗粒、非白色颗粒,以及纤维、球形颗粒等不规则杂质 —— 这与罗替卡松吸入气雾剂中可能存在的 “药物结晶颗粒、金属碎屑" 等微粒类型的识别需求高度契合,避免误判或漏判。

111 

2.                      数据合规性保障:操作软件符合 21CFR Part11 法规要求,具备审计追踪、用户分级权限设置功能,可完整记录 “取样量、扫描参数、分析结果、操作人员" 等全流程信息,满足 2025 版药典对数据完整性的严苛要求

 

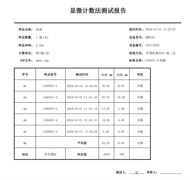
3.                      报告输出标准化:可自动生成符合 2025 版药典 CP0903、USP788 等标准的中英文报告,直接呈现 “≥10μm、≥25μm 微粒计数" 等关键指标,无需人工二次整理,减少数据转录误差。

图片 

(三)检测效率与稳定性:降本增效的核心支撑

1.                      测试效率高:ZMP930 集成 “自动过滤 - 烘干 - 扫描 - 数据分析" 全流程功能,测试时间仅需 2-8 分钟,较传统手动显微计数法(耗时 1-2 小时)效率提升 10 倍以上。

2.                      测试结果准确:仪器重复性误差≤5%、精确度≤3%,可确保多批次罗替卡松吸入气雾剂检测结果的一致性,避免因人工操作差异导致的偏差。

3.                      简化检测流程仪器标配 25mm/13mm进口密理博滤膜、专用配套玻璃过滤装置,无需额外采购耗材

三、罗替卡松吸入气雾剂的标准化检测流程(基于 ZMP930)

依托 ZMP930 的一体化设计,罗替卡松吸入气雾剂的检测可完-全贴合 2025 版药典操作规范,具体流程如下:

1.                      样品制备:取罗替卡松吸入气雾剂,按药典要求充分摇匀后抽取内容物,制备成 25ml 均匀混悬样品,避免颗粒沉降影响检测结果;

2.                      自动过滤:将样品注入仪器标配的 25mm 滤膜过滤装置,通过抽滤泵实现完-全过滤,截留不溶性微粒;

3.                      滤膜烘干:用无尘镊子将过滤后的滤膜转移至一次性培养皿,放入金属浴中按设定温度烘干,防止水分干扰微粒识别;

4.                      智能扫描:将烘干后的滤膜置于 Z 轴自动对焦平台,启动 900 万像素高清彩色相机进行全滤膜扫描,AI 算法同步捕捉并识别微粒;

5.                      数据分析与报告:仪器自动统计≥10μm、≥25μm 等粒径区间的微粒数量,生成包含 “粒径分布、微粒类型、检测时间" 的药典格式报告,数据可直接用于 GMP 合规审核

 


微信

联系

400-8810-898

联系
顶部