技术文章您的位置:网站首页 >技术文章 >梓梦-显微计数法不溶性微粒仪在小容量注射剂中的应用及优势

梓梦-显微计数法不溶性微粒仪在小容量注射剂中的应用及优势

更新时间:2026-01-04   点击次数:533次


小容量注射剂通常指标示装量≤25ml 的注射液(含溶液型、乳状液型、混悬型等),是临床常用的高风险药品,其不溶性微粒控制直接关系用药安全。 ZMP930 全自动显微计数法不溶性微粒仪基于 2025 版中国药典 CP0903 第二法设计,针对小容量注射剂的检测痛点与合规需求,提供了从样品处理到数据报告的全流程解决方案,具体使用场景与核心优势如下:

一、在小容量注射剂中的用场景

1. 适用的小容量注射剂类型

a.常规剂型:溶液型小容量注射液、注射用无菌粉末、注射用浓溶液;

img1 

b.复杂剂型:乳状液型注射剂(如20ml规格丙-泊酚乳状注射液)、混悬型小容量注射剂;

img2 

c.特殊类型:带颜色小容量注射剂、高黏度小容量制剂、易产生气泡的小容量预充针制剂。

img3 

 

2.       适配小容量样品测试流程

不溶性微粒930 

a.                      样品过滤:选用 25mm 或 13mm 专用配套过滤装置,将小容量注射剂样品(单份 5ml 或多份汇总至≥25ml,契合 2025 版药典要求)通过滤膜过滤,避免微量样品浪费;

img5 

b.                      滤膜烘干:用镊子将过滤后的滤膜置于一次性培养皿中,通过金属浴选择适宜温度烘干,保障颗粒附着稳定性;

 

 

 

img6 

c.                      滤膜扫描:将烘干后的滤膜置于显微计数法不溶性微粒仪 X、Y、Z 轴自动扫描平台,启动全自动扫描,通过 900 万像素高清彩色相机捕捉整张滤膜图像,超景深 Z 轴自动对焦功能确保微小颗粒清晰成像;

img7 

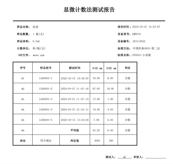
d.                      数据分析与报告:智能 AI 算法自动识别并计数不溶性微粒,区分白色颗粒、黑色颗粒、纤维、玻璃碎屑API 析出物等,最终按 USP788、2025 版中国药典等标准生成中英文合规报告,支持数据溯源与审计追踪。

img8 

3. 小容量样品应用场景延伸

a.                      生产过程质控:小容量注射剂多批次、多规格生产时的批量微粒检测

b.                      合规复核:光阻法检测结果异常时的显微计数法复核(符合药典双重验证要求);

c.                      可见异物辅助判定:针对小容量注射剂中肉眼难辨的微小玻璃碎屑、纤维等可见异物,通过颗粒定位追踪功能实现精准识别与记录。

img9 

 

二、针对小容量注射剂的核心使用优势

1. 适配小容量样品检测痛点

a.                      抗干扰能力强:小容量注射剂易因黏度高、带颜色、产生气泡导致颗粒识别偏差,ZMP930 通过智能AI识别技术,可自动区分白色黑色颗粒、纤维、球形不规则颗粒,超景深 Z 轴自动对焦确保每张图片中颗粒清晰

 

b.                      检测精度高:最-大分辨率达 0.1μm,可捕捉小至亚微米级的微粒,精确度<3%、重复性误差<5%,满足小容量注射剂微量微粒的精准计数需求;

 

c.                      颗粒识别全面:可针对性检测小容量注射剂中常见的玻璃碎屑、API 析出物、纤维等有害微粒,同时支持颗粒定位追踪,为微粒溯源提供参考

 

2. 适配小容量多批次生产需求

a.                      检测效率高:单样品测试时间仅 2-8 分钟,优于同类仪器,适配小容量注射剂多批次、高频次检测场景,大幅提升质控效率;

b.                      全流程自动化:从滤膜扫描到数据分析无需人工干预,X、Y、Z 轴自动平台实现整张滤膜多方位扫描,降低操作人员技术门槛与人为误差;

c.                      微量样品适配:配套的13mm过滤装置与精准抽滤泵,可实现单份 5ml 样品的有效检测,避免小容量样品因取样不足导致的结果偏差,同时减少样品浪费。

d.                      行业验证与可靠性保障仪器已获得FDA法规21CFR Part11软件证书和国家药-监局《药品记录与数据管理要求(试行)》认证证书,软件按照21 CFR Part11要求开发,合作客户包括江苏省药品监督检验研究院、四川省药品监督检验研究院等机构,以及龙头药企科伦药业、绿叶制药、齐鲁制药等,在小容量注射剂检测中的稳定性已通过实际应用验证,可直接服务于药品生产企业质控、药检机构监督检验等场景。

 


微信

联系

400-8810-898

联系
顶部